Cyaniding စက်ပစ္စည်းသည် ရွှေပြန်လည်ရရှိရေးနှင့် ဆိုက်ဘေးကင်းရေးကို မည်သို့တိုးတက်စေသနည်း။

အကယ်၍ သင် cyanidation သည် "ထိရောက်သော်လည်း စိတ်ဖိစီးမှုများ" ဟု ခံစားဖူးပါက၊ သင်စိတ်ကူးယဉ်မည်မဟုတ်ပါ။ ဓာတုဗေဒအလုပ်သည်—သို့သော်လည်း နေ့စဉ်လက်တွေ့ဘဝသည် ရှုပ်ထွေးနိုင်သည်- ပြောင်းလဲနိုင်သောသတ္တုရိုင်းများ၊ ဓါတ်ဆားအသုံးများမှု၊ ကာဗွန်ဆုံးရှုံးမှု၊ မမျှော်လင့်ထားသည့်အချိန်နှင့် ဘေးကင်းပြီး တသမတ်တည်းလည်ပတ်ရန် အဆက်မပြတ်ဖိအားပေးသည်။ ဤဆောင်းပါးသည် အဘယ်အရာကို ပိုင်းခြားမည်နည်း။Cyaniding စက်ပစ္စည်းသင့်အတွက် အမှန်တကယ်လုပ်ပေးသင့်သည်၊ မဝယ်မီ ဘာကိုမေးသင့်သည်၊ ဈေးအကြီးဆုံးအမှားများကို မည်သို့ရှောင်ရှားသင့်သနည်း။


စိတ္တဇ

ခေတ်မီသည်။Cyaniding စက်ပစ္စည်းတိုင်ကီအစုအဝေးတစ်ခုမျှသာမဟုတ်—၎င်းသည် စိမ့်ဝင်နေသောအခြေအနေများကိုထိန်းချုပ်ရန်၊ ပြန်လည်ကောင်းမွန်လာစေရန်၊ တည်ငြိမ်အောင်ပြုလုပ်ရန်၊ ဓာတုစွန့်ပစ်ပစ္စည်းများကိုလျှော့ချရန်နှင့် cyanide ကိုင်တွယ်မှုကို ကြိုတင်ခန့်မှန်းနိုင်စေရန်အတွက် ချိတ်ဆက်ထားသောစနစ်တစ်ခုဖြစ်သည်။ ဝယ်ယူသူများသည် ပုံမှန်အားဖြင့် နာကျင်မှုအချက်လေးချက်- တသမတ်တည်း ပြန်လည်ရယူခြင်း၊ လည်ပတ်မှုစရိတ်မြင့်မားခြင်း၊ ဘေးကင်းရေး ထိန်းချုပ်မှု အားနည်းခြင်းနှင့် ပြုပြင်ထိန်းသိမ်းမှု ခေါင်းကိုက်ခြင်းများ။ အောက်တွင်၊ cyaniding modules (leaching, adsorption, desorption/electrowinning, detox, and instrumentation)၊ ရွေးချယ်မှု matrix၊ commissioning အကြံပြုချက်များနှင့် ပေးသွင်းသူ စကားဝိုင်းများအတွင်း သင်အသုံးပြုနိုင်သည့် FAQ ကဏ္ဍကို အောက်တွင် သင်လက်တွေ့ကျသော၊ အပင်ကြမ်းပြင်မြင်ကွင်းကို သင်ရရှိမည်ဖြစ်ပါသည်။


မာတိကာ


အကြမ်းဖျင်းအားဖြင့်

  • "I need cyanidation" ကို ပြီးပြည့်စုံပြီး ထိန်းချုပ်နိုင်သော စက်ကိရိယာနယ်ပယ်သို့ ဘာသာပြန်ပါ။
  • သင့်ဆုံးရှုံးမှုများကို တွန်းအားပေးနေသည့် မည်သည့် module ကို ခွဲခြားသတ်မှတ်ပါ (ပြန်လည်ရယူခြင်း၊ ဓါတ်ပြုခြင်း၊ ကာဗွန် သို့မဟုတ် စက်ရပ်ချိန်)။
  • သင့်သတ္တုရိုင်းအမျိုးအစားနှင့် ကန့်သတ်ချက်များကို နှိုင်းယှဉ်ရန် ရိုးရှင်းသော matrix ကိုသုံးပါ။
  • အားနည်းသော ဒီဇိုင်းများကို လျင်မြန်စွာ ဖော်ထုတ်နိုင်သော စစ်ဆေးစာရင်းတစ်ခုဖြင့် ပေးသွင်းသူ အစည်းအဝေးများသို့ ဝင်ရောက်ပါ။

အစစ်အမှန်ဝယ်သူ၏နာကျင်မှုအမှတ်များ

လူတွေက ဈေးဝယ်တဲ့အခါCyaniding စက်ပစ္စည်းသူတို့က "ကျွန်တော် ပိုမြင့်တဲ့ ပြန်လည်ထူထောင်ရေးလိုတယ်" လို့ ပြောလေ့ရှိတယ်။ များသောအားဖြင့် ၎င်းတို့ဆိုလိုသည်မှာ- "သတ္တုရိုင်းများ ပြောင်းလဲခြင်း၊ အော်ပရေတာများ လှည့်ပတ်နေပြီး ဆိုက်သည် အဝေးတွင်ရှိနေသည့်တိုင် မြင့်မားနေမည့် ပြန်လည်ရယူရန် လိုအပ်ပါသည်။" ဤသည်မှာ ထပ်ခါတလဲလဲ ပေါ်လာသော ဝေဒနာများဖြစ်သည် ။

  • ပြန်လည်ထူထောင်ရေးအားလွှဲသတ္တုရိုင်းများ ပြောင်းလဲခြင်း၊ ကြိတ်ခြင်းဆိုင်ရာ ပြဿနာများ၊ အောက်ဆီဂျင် ကန့်သတ်ချက်များ သို့မဟုတ် pH ထိန်းချုပ်မှု ညံ့ဖျင်းခြင်းကြောင့် ဖြစ်ပေါ်လာသည်။
  • Reagent ကုန်ကျစရိတ် သက်သာပါတယ်။ဆိုင်ယာနိုက် သို့မဟုတ် ထုံးကို အလွန်အကျွံသောက်ခြင်းမှ "ဘေးကင်းရန်"
  • ကာဗွန်ပြဿနာများညစ်ညမ်းခြင်း၊ စုပ်ယူခြင်း ဆုံးရှုံးခြင်း သို့မဟုတ် စုပ်ယူမှု အားနည်းခြင်းကဲ့သို့သော ဇီဝကမ္မဖြစ်စဉ်များ။
  • စက်ရပ်ပန့်/အဆို့ရှင် ချို့ယွင်းမှု၊ အညစ်အကြေး ဆားရီ ယိုယွင်းမှု သို့မဟုတ် ဝင်ရောက်ရန် ခက်ခဲသော အပြင်အဆင်များမှ။
  • ဘေးကင်းရေးဖိစီးမှုဆိုင်ယာနိုက် သိုလှောင်မှု၊ သောက်သုံးမှုနှင့် အရေးပေါ်တုံ့ပြန်မှု အဆင်သင့် ဝန်းကျင်။

ကောင်းမွန်သော စက်ပစ္စည်းဒီဇိုင်းသည် ရှုပ်ထွေးမှုအားလုံးကို မဖယ်ရှားနိုင်သော်လည်း မှန်းဆမှုကို ဖယ်ရှားသင့်သည်။


“Cyaniding Equipment” ပါ၀င်ပါတယ်။

Cyaniding Equipment

အနည်းဆုံး၊Cyaniding စက်ပစ္စည်းဤလုပ်ဆောင်ချက်များကို ပံ့ပိုးပေးသည့် စနစ်တစ်ခုအဖြစ် နားလည်သင့်သည်-

  • Leaching: ပျော်ဝင်ရန်အတွက် အချိန်၊ ရောစပ်ခြင်းနှင့် ဓာတုဗေဒ ထိန်းချုပ်မှုတို့ကို ပံ့ပိုးပေးသည်။
  • ရွှေဖမ်း: အသက်ဝင်သောကာဗွန် (CIP/CIL) သို့မဟုတ် မိုးရေလမ်းကြောင်းများပေါ်သို့ စုပ်ယူခြင်း။
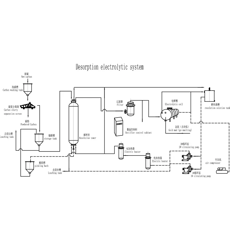
  • ရွှေလံ: desorption နှင့် electrowinning (သို့မဟုတ် အစားထိုး ပြန်လည်ရယူသည့် ဆားကစ်များ)။
  • Detox နှင့် tailings ကိုင်တွယ်ခြင်း။: ကျန်ရှိသော cyanide ကို လက်ခံနိုင်သော အဆင့်သို့ လျှော့ချပါ။
  • ကိရိယာတန်ဆာပလာနှင့်ထိန်းချုပ်မှု: pH ကို တိုင်းတာပြီး တည်ငြိမ်အောင်၊ ပျော်ဝင်နေသော အောက်ဆီဂျင်၊ စီးဆင်းမှုနှင့် ဆေးပမာဏ။

ပေးသွင်းသူတစ်ဦးသည် "တင့်ကားများ" အကြောင်းကိုသာ ပြောဆိုပါက၊ စီးဆင်းမှုတစ်ခုလုံးနှင့် ထိန်းချုပ်မှုအမှတ်များကို သတ်မှတ်ရန် ၎င်းတို့အား တွန်းအားပေးပါ။ ဓာတ်ခွဲခန်းအခြေအနေများတွင် Cyanidation သည် ခွင့်လွှတ်ခြင်း၊ ဖရိုဖရဲ ကွင်းပြင်အခြေအနေတွေမှာ ခွင့်မလွှတ်ပါဘူး။


Ore မှ Doré အထိ ရှင်းလင်းသော လုပ်ငန်းစဉ်မြေပုံ

အပင်တိုင်းသည် ကွဲပြားသော်လည်း၊ cyanidation လမ်းကြောင်း အများစုသည် မှတ်မိနိုင်သော ကျောရိုးကို လိုက်နာကြသည်။ အဆိုပြုထားသော ပက်ကေ့ခ်ျတစ်ခု ပြီးမြောက်ခြင်းရှိမရှိ စစ်ဆေးရန် ဤမြေပုံကို အသုံးပြုပါ-

ဇာတ်ခုံ ဘာကို ပြီးအောင်လုပ်ရမယ်။ ပုံမှန် "ဝှက်ထားသော" အန္တရာယ်
ကြိုတင်ကုသခြင်း (လိုအပ်သလို) ရွှေကို သုံးစွဲနိုင်စေပြီး ဆိုင်ယာနိုက်သုံးစွဲမှု မြင့်တက်ခြင်းမှ ကာကွယ်ပါ။ ကြိုတင်ခိုးယူမှု၊ ကြေးနီမြင့်မားသော သို့မဟုတ် ဓာတ်ပြုဆာလဖိဒ်များကို လျစ်လျူရှုခြင်း။
Leaching တည်ငြိမ်သောရောစပ်ခြင်း၊ ထိန်းချုပ်ထားသော pH နှင့် လုံလောက်သော အောက်ဆီဂျင် သေဆုံးဇုန်များ၊ အောက်ဆီဂျင်လွှဲပြောင်းမှု ညံ့ဖျင်းခြင်း၊ အားနည်းသော ထုံးစနစ်မှ pH မမှန်ခြင်း။
စုပ်ယူမှု (CIL/CIP) ပျော်ဝင်နေသော ရွှေများကို ထိရောက်စွာ ဖမ်းယူပါ။ ကာဗွန်အရွယ်အစား/လွှဲပြောင်းနည်းလမ်း မှားယွင်းနေခြင်း၊ ကာဗွန်ဆုံးရှုံးမှု
Elution / Desorption ကာဗွန်မှ ရွှေများကို စိတ်ချယုံကြည်စွာ ချွတ်ပါ။ အပူပေးခြင်း/စီးဆင်းမှု မညီခြင်းသည် ထုတ်ယူခြင်း ထိရောက်မှု နည်းပါးစေသည်။
လျှပ်စစ်ထုတ်ခြင်း/ ရောစပ်ခြင်း။ ပြန်လည်ရယူပြီး doré ကိုထုတ်လုပ်ပါ။ သေးငယ်သောဆဲလ်များ၊ အီလက်ထရောနစ်စီမံခန့်ခွဲမှုညံ့ဖျင်းခြင်း၊ sludge ကိုင်တွယ်မှုပြဿနာများ
Detox လုပ်ပါ။ မထုတ်မီ/အမြီးများမထွက်မီ ကျန်ရှိသော cyanide ကို လျှော့ချပါ။ ဒီဇိုင်းသည် ဆင့်ပွားပြောင်းလဲနိုင်မှု သို့မဟုတ် tailings ဓာတုဗေဒနှင့် မကိုက်ညီပါ။

Key Modules နှင့် စစ်ဆေးရမည့်အရာ

1) Leaching tank များနှင့် တုန်လှုပ်ချောက်ချားခြင်း။

  • ရောစပ်ထားသော ဒီဇိုင်းသည် သင့် slurry သိပ်သည်းမှုနှင့် abrasiveness အတွက် သင့်လျော်ပါသလား။
  • စနစ်သည် သတ္တုရိုင်းကွဲပြားမှုအောက်တွင် တည်ငြိမ်သော pH ကို ထိန်းသိမ်းနိုင်ပါသလား။
  • သင့်ဆိုဒ်တွင် အောက်ဆီဂျင်ထပ်ထည့်ခြင်းမှာ လက်တွေ့ကျပါသလား (ဒီဇိုင်းတွင် အောက်ဆီဂျင်လွှဲပြောင်းခြင်းကို ထည့်သွင်းစဉ်းစားပါ)။
  • အပြင်အဆင်သည် impellers၊ liners နှင့် bearings များကို လွယ်ကူစွာ စစ်ဆေးနိုင်ပါသလား။

2) ကာဗွန်စုပ်ယူမှုနှင့်လွှဲပြောင်း

  • ကြားခံစခရင်များသည် ကာဗွန်သယ်ဆောင်ခြင်းကို တားဆီးရန် လုံလောက်သော ကြံ့ခိုင်မှုရှိပါသလား။
  • ကွဲအက်ခြင်းနှင့် ဆုံးရှုံးမှုများကို လျှော့ချရန်အတွက် ကာဗွန်လွှဲပြောင်းခြင်းကို အင်ဂျင်နီယာချုပ်လုပ်ထားပါသလား။
  • ဒီဇိုင်းသည် သန့်ရှင်းရေးနှင့် ကာဗွန်စာရင်းထိန်းချုပ်မှုအတွက် အဆင်ပြေပါသလား။

3) Desorption နှင့် electrowinning

  • elution circuit သည် သင်၏ ကာဗွန် loading မျှော်လင့်ချက်များနှင့် ကိုက်ညီပါသလား။
  • အပူပေးစနစ်နှင့် စီးဆင်းမှု ထိန်းချုပ်မှု တည်ငြိမ်မှုရှိသလား (“အော်ပရေတာ-မူတည်ခြင်း” မဟုတ်ပါ)။
  • အမှိုက်ကို ကိုင်တွယ်ရန် အစီအစဥ်ရှိပါသလား၊

4) Cyanide ဆေးထိုးခြင်းနှင့် တိုင်းတာခြင်း။

  • ဆေးထိုးခြင်းသည် အပြန်အလှန်အတားအဆီးများဖြင့် အလိုအလျောက်လုပ်ဆောင်နေသလား သို့မဟုတ် လက်စွဲသက်သက်လား။
  • တကယ့်သတ္တုတွင်းပတ်ဝန်းကျင်တွင် ချိန်ညှိခြင်းနှင့် အာရုံခံထိန်းသိမ်းခြင်းအတွက် အစီအစဉ်မှာ အဘယ်နည်း။
  • နမူနာအချက်များသည် လုံခြုံပြီး ကောင်းမွန်သောအနေအထားရှိသလား၊ သို့မဟုတ် တွေးခေါ်မှုတစ်ခုလား။

5) Detox လုပ်ပါ။

  • အဆိပ်ထုတ်ခြင်း ဒီဇိုင်းသည် သင့်ထုတ်လွှတ်သည့်ပစ်မှတ်များနှင့် tailings ဓာတုဗေဒအပေါ် အခြေခံထားပါသလား။
  • ပိတ်ရန်အတင်းအကျပ်မလုပ်ဘဲ ရေတို spikes များကို ကိုင်တွယ်ဖြေရှင်းနိုင်ပါသလား။

လက်တွေ့ အရိပ်အမြွက်စာရွက်ပေါ်တွင် စျေးပိုသက်သာသော အဆိုပြုချက်တစ်ခုသည် ကုန်ကျစရိတ်များ—ဆိုက်ယာနိုက်၊ အပိုသံပုရာသီး၊ အပိုပြုပြင်ထိန်းသိမ်းမှုလုပ်အား၊ နှင့် ပိုမို၍ “သူရဲကောင်းဆန်သော” အော်ပရေတာများ၏ အပြုအမူကို လည်ပတ်စေပါသည်။ ဘေလ်က နောက်မှရောက်လာတယ်။


အရွယ်အစားနှင့် Specification အခြေခံများ

သင့်ဘတ်ဂျက်ကိုကာကွယ်ပေးမည့် အရွယ်အစားမေးခွန်းများမေးရန် သတ္တုဗေဒပညာရှင်ဖြစ်ရန် မလိုအပ်ပါ။ အဘို့Cyaniding စက်ပစ္စည်းပင်မအရွယ်အစား လောဂျစ်သည် ဖြတ်သန်းမှု၊ နေထိုင်ချိန်နှင့် အစုလိုက်အပြုံလိုက် လွှဲပြောင်းမှုတို့၌ လှည့်ပတ်နေပါသည်။ နောက်ဆုံးဒီဇိုင်းကို လက်မခံမီ၊ ဤထည့်သွင်းမှုများကို အတိအလင်းဖော်ပြထားကြောင်း သေချာပါစေ။

  • ဒီဇိုင်းဖြတ်သန်းမှု(ပျမ်းမျှနှင့် အထွတ်အထိပ်၊ မျှော်မှန်းထားသည့် ရာသီအလိုက် ပြောင်းလဲမှု)။
  • ပစ်မှတ်ကြိတ်အရွယ်အစားကြိတ်ပိုကြမ်းသွားရင် ဘာဖြစ်မလဲ။
  • Leach နေထိုင်ချိန်စမ်းသပ်မှုများ သို့မဟုတ် ယူဆချက်များအပေါ် အခြေခံသည်ဖြစ်စေ၊
  • pH နှင့် alkalinity အစီအစဉ်(ထုံးပြင်ဆင်မှုနှင့် ဆေးပမာဏတည်ငြိမ်မှု အပါအဝင်)။
  • အောက်ဆီဂျင်ဗျူဟာ(လေ၊ အောက်ဆီဂျင် သို့မဟုတ် အဘယ်သူမျှမ) နှင့် kinetics အပေါ် မျှော်မှန်းသက်ရောက်မှု။
  • ကာဗွန်စာရင်း(ကာဗွန်ဘယ်လောက်၊ နေရာထိုင်ခင်း၊ ဘယ်လိုစောင့်ကြည့်နေလဲ)။

ပေးသွင်းသူတစ်ဦးက ၎င်းတို့ကို ရိုးရှင်းသောဘာသာစကားဖြင့် မရှင်းပြနိုင်ပါက ၎င်းကို အန္တရာယ်အချက်ပြမှုတစ်ခုအဖြစ် သဘောထားပါ—နည်းပညာဆိုင်ရာ မဟုတ်ပေ။


အမှန်တကယ် ထိန်းထားနိုင်သော ဘေးကင်းမှုနှင့် ဆိုင်ယာနိုက်ထိန်းချုပ်မှု

လုံခြုံရေးဆိုတာ နံရံပေါ်က ပိုစတာမဟုတ်ဘူး။ cyanidation ဖြင့်၊ ၎င်းကို ရုပ်ပိုင်းဆိုင်ရာဒီဇိုင်းနှင့် ပုံမှန်ထိန်းချုပ်မှုအဖြစ် တည်ဆောက်ထားသည်။ ခိုင်မာတယ်။Cyaniding စက်ပစ္စည်းပက်ကေ့ဂျ်များတွင် ပုံမှန်အားဖြင့်-

  • သိုလှောင်မှုနှင့် လွှဲပြောင်းပါရှိသည်။ပြတ်သားသော ဖိတ်စင်မှုလမ်းကြောင်းများနှင့် ပေါင်းစည်းထားသော ယုတ္တိဗေဒနှင့်အတူ။
  • ယှက်ဆေးထို့ကြောင့် အဓိကအခြေအနေများနှင့် မကိုက်ညီပါက ဆိုင်ယာနိုက်ကို မထည့်နိုင်ပါ။
  • နမူနာပုံစံကို ရှင်းလင်းပါ။၎င်းသည် ပုံမှန်စစ်ဆေးမှုများအတွင်း ထိတွေ့မှုအန္တရာယ်ကို လျှော့ချပေးသည်။
  • အရေးပေါ် အဆင်သင့်လည်ပတ်မှုလုပ်ထုံးလုပ်နည်း၏ တစ်စိတ်တစ်ပိုင်းအနေဖြင့်၊ အပိုပရိုဂရမ် စာရွက်စာတမ်းမဟုတ်ပေ။

ဝယ်သူ၏ရှုထောင့်မှကြည့်လျှင် သင့်အလုပ်သည် ရိုးရှင်းပါသည်- အဆိုပြုချက်အား လူများက စနစ်နှင့် မည်သို့ဆက်ဆံပုံကို အတိအကျပြသရန် အတင်းအကြပ်လုပ်ပါ။ သူတို့ ဘယ်မှာ ရပ်နေကြတာလဲ။ ဘာကို ထိကြသလဲ? စက်ပစ္စည်းများကို မည်သို့ခွဲထုတ်ကြသနည်း။ မနက် ၂ နာရီမှာ pump seal ချို့ယွင်းမှုကို ဘယ်လိုတုံ့ပြန်ကြမလဲ။


လည်ပတ်မှုကုန်ကျစရိတ် အမှန်တကယ် ဘယ်ကလာတာလဲ။

သင်၏ အောင်စတစ်အောင်စ ကုန်ကျစရိတ်သည် အထက်သို့ ပျံတက်နေပါက၊ ၎င်းသည် အများအားဖြင့် သိသိသာသာ ပျက်ကွက်မှုတစ်ခု မဟုတ်ပေ—၎င်းသည် စနစ်အတွင်း သေးငယ်သော ပေါက်ကြားမှုများ ဖြစ်သည်။ cyanidation တွင် အသုံးအများဆုံးကုန်ကျစရိတ်ယာဉ်မောင်းများမှာ-

  • Cyanide သုံးစွဲမှုဓာတ်သတ္တုများ၊ အလွန်အကျွံသုံးစွဲသည့် အလေ့အထများ သို့မဟုတ် ထိန်းချုပ်မှု အားနည်းခြင်းကြောင့် ဖြစ်ပေါ်လာခြင်းဖြစ်သည်။
  • ထုံးစားသုံးမှုpH ထိန်းချုပ်မှု မတည်မငြိမ်ဖြစ်သည့်အခါ သို့မဟုတ် slurry ဓာတုဗေဒကို ကောင်းစွာနားမလည်ပါ။
  • ကာဗွန်ဆုံးရှုံးမှုပုံသဏ္ဍာန်၊ မျက်နှာပြင်ပြဿနာများ သို့မဟုတ် လွှဲပြောင်းမှုပုံစံ ညံ့ဖျင်းခြင်းများမှတဆင့်။
  • ပါဝါနှင့်ထိန်းသိမ်းမှုစိတ်လှုပ်ရှားမှုလွန်ကဲခြင်း၊ ဒီဇိုင်းမွမ်းမံထားသော ဝတ်ဆင်မှုအပိုင်းများနှင့် ဝန်ဆောင်မှုရခက်ခဲသော အပြင်အဆင်များမှ။
ရောဂါလက္ခဏာ Root Cause ဖြစ်နိုင်တယ်။ အထောက်အကူဖြစ်စေသော ပစ္စည်းကိရိယာအင်္ဂါရပ်
သတ္တုရိုင်းများ ပြောင်းလဲသောအခါ ပြန်လည်ထူထောင်ရေး ကျဆင်းသွားသည်။ pH/DO မတည်ငြိမ်မှု၊ ညံ့ဖျင်းသောရောနှော; နေထိုင်ချိန် မလုံလောက်ခြင်း။ ခိုင်မာသောစိတ်လှုပ်ရှားမှု၊ ပိုမိုကောင်းမွန်သောထိန်းချုပ်မှုကိရိယာ၊ လိုက်လျောညီထွေရှိသောတင့်ကားစွမ်းရည်
Cyanide သုံးစွဲမှု မြင့်တက်လာသည်။ အလွန်အကျွံသောက်ခြင်း; မြင့်မားသောဆိုက်ယာနိုက်-စားသုံးသောသတ္တုဓာတ်များ၊ ညံ့ဖျင်းသောတိုင်းတာမှု ထိန်းချုပ်ထားသော ဆေးဝါးများ၊ ယုံကြည်စိတ်ချရသော နမူနာယူမှတ်များ၊ ပိုမိုထက်မြက်သော အပြန်အလှန်ချိတ်ဆက်မှုများ
ကာဗွန်စာရင်းကို "လျှို့ဝှက်စွာ" ကျုံ့သွားသည်။ မျက်နှာပြင် ပျက်ကွက်မှုများ၊ လွှဲပြောင်းဆုံးရှုံးမှု; ဆေးရည် တာရှည်ခံသည့် ကြားခံစခရင်များ၊ နူးညံ့သိမ်မွေ့သော လွှဲပြောင်းဒီဇိုင်း၊ ကာဗွန်စာရင်းရှင်းရှင်းလင်းလင်း
မကြာခဏပိတ်ခြင်း။ အစိတ်အပိုင်းများ ဝတ်ဆင်ခြင်း၊ ပန့်ပိတ်ခြင်း၊ ဝင်ရောက်ခြင်း ပြဿနာများ ခံနိုင်ရည်ရှိသော ပစ္စည်းများ၊ ပြုပြင်ထိန်းသိမ်းခွင့်၊ စံသတ်မှတ်ထားသော အပိုပစ္စည်းများ

ယုံကြည်စိတ်ချရမှုနှင့် ပြုပြင်ထိန်းသိမ်းမှု ဒီဇိုင်း

Cyaniding Equipment

cyanidation circuit သည် "ပြီးပြည့်စုံသည်" ကိုကြည့်နိုင်ပြီး ပြုပြင်ထိန်းသိမ်းမှုတွင် ဒီဇိုင်းထုတ်ထားခြင်းမဟုတ်ပါက ယုံကြည်စိတ်ချနိုင်မည်မဟုတ်ပေ။

  • ပစ္စည်းရွေးချယ်မှုabrasive slurry zones နှင့် cyanide-contact zones အတွက်။
  • သုံးစွဲခွင့်မျက်နှာပြင်များ၊ impellers၊ liners၊ pumps နှင့် instrumentation များဆီသို့။
  • အပိုပစ္စည်းဗျူဟာ၎င်းသည် သင့်ဆိုဒ်၏ သရုပ်မှန် (ခဲချိန်၊ ထောက်ပံ့ပို့ဆောင်မှု၊ စတော့ခ်) နှင့် ကိုက်ညီသည်။
  • စံပြုခြင်း။တစ်မူထူးခြားသော ၀တ်စုံအရေအတွက်ကို လျှော့ချရန်။

ဝေးလံခေါင်သီသောလုပ်ဆောင်ချက်များတွင်၊ "ထိန်းသိမ်းရလွယ်ကူသည်" သည် "စက္ကူပေါ်တွင်အနည်းငယ်ပိုထိရောက်သည်" ထက်ပိုမိုတန်ဖိုးရှိသည်။


ပေးသွင်းသူ မေးသင့်သော မေးခွန်းများ

အစည်းအဝေးများတွင် ဤစစ်ဆေးမှုစာရင်းကို အသုံးပြုပါ။ စကားဝိုင်းကို အချေအတင်ဖြစ်မသွားစေဘဲ အားနည်းသော အဆိုပြုချက်များကို လျင်မြန်စွာဖော်ပြရန် ဒီဇိုင်းထုတ်ထားသည်။

  • မည်သည့်သတ္တုရိုင်းအန္တရာယ်များကို ဝေးကွာစေသည်ဟု ယူဆကြပြီး မည်သည့်အရာအတွက် တက်ကြွစွာ တီထွင်ဖန်တီးထားသနည်း။
  • နေထိုင်ချိန်၊ pH အကွာအဝေးနှင့် အောက်ဆီဂျင်နည်းဗျူဟာအတွက် ဒီဇိုင်းထည့်သွင်းမှုများကား အဘယ်နည်း။
  • ဆိုင်ယာနိုက်ထိုးခြင်းကို မည်သို့ထိန်းချုပ်ထားသနည်း၊ အာရုံခံကိရိယာချို့ယွင်းနေချိန်တွင် ဘာဖြစ်သွားသနည်း။
  • ပုံမှန်လုပ်ငန်းဆောင်တာများတွင် ကာဗွန်ဆုံးရှုံးမှုကို မည်သို့တားဆီးပြီး တိုင်းတာသနည်း။
  • ဖန်သားပြင်များ၊ လှုံ့ဆော်ပေးသော စက်များနှင့် ပန့်များအတွက် ပြုပြင်ထိန်းသိမ်းမှုဆိုင်ရာ အစီအစဉ်မှာ အဘယ်နည်း။
  • အဆိုင်းတိုင်းတွင် အကြံပြုထားသော အော်ပရေတာစစ်ဆေးမှုများသည် အဘယ်နည်း၊ ၎င်းတို့ကို မည်သို့ ဘေးကင်းစေသနည်း။
  • မည်သည့်ကော်မရှင်နာထောက်ပံ့မှုပါဝင်ပြီး မည်သည့်အော်ပရေတာသင်တန်းကို ပေးသနည်း။

အကယ်၍ သင်သည် ရောင်းချသူများကို အကဲဖြတ်နေပါက၊ ပေါင်းစပ်အသေးစိတ်အချက်အလက်များကို ပံ့ပိုးပေးနိုင်သော cyanidation ပက်ကေ့ခ်ျကို ပံ့ပိုးပေးနိုင်သော ထုတ်လုပ်သူတစ်ဦးနှင့် ဆွေးနွေးရန် ကူညီပေးနိုင်ပါသည်။ ဥပမာအားဖြင့်, Qingdao EPIC Mining Machinery Co.,Ltd.cyanidation packages များကို စနစ်များ- leaching ၊ adsorption ၊ recovery နှင့် control များ-- အဆက်ပြတ်နေသော tank set များထက် သတ္တုတွင်းလုပ်ငန်းသုံးပစ္စည်းဖြေရှင်းနည်းများကို ပံ့ပိုးပေးပါသည်။


အမြဲမေးလေ့ရှိသောမေးခွန်းများ

Cyaniding စက်ပစ္စည်း သည် အခြေခံထက် အဘယ်အရာက ခေတ်မီစေသနည်း။

ခေတ်မီဒီဇိုင်းများသည် ထိန်းချုပ်နိုင်မှုနှင့် ထပ်တလဲလဲဖြစ်နိုင်မှုအပေါ် အာရုံစိုက်သည်- တည်ငြိမ်သောဆေးသောက်ခြင်း၊ ယုံကြည်စိတ်ချရသောတိုင်းတာခြင်း၊ ပိုမိုလုံခြုံသောနမူနာယူခြင်း၊ ခိုင်ခံ့သောဝတ်ဆင်မှုကာကွယ်ခြင်းနှင့် အော်ပရေတာ၏တီထွင်ဖန်တီးမှုကိုလျှော့ချပေးသည့်အပြင်အဆင်များ။ ရည်ရွယ်ချက်မှာ ဓာတ်ပစ္စည်းများ စွန့်ပစ်ပစ္စည်း လျော့နည်းခြင်းနှင့် ပိတ်ခြင်းများ နည်းပါးခြင်းတို့ဖြင့် တသမတ်တည်း ပြန်လည်ရယူရန် ဖြစ်သည်။

Cyaniding စက်ပစ္စည်း သည် အဆင့်နိမ့်သတ္တုရိုင်းများကို စီးပွားရေးအရ ကိုင်တွယ်ဖြေရှင်းနိုင်ပါသလား။

၎င်းသည် သင်၏ kinetics နှင့် စားသုံးမှု ပရိုဖိုင်းပတ်၀န်းကျင်တွင် ဆားကစ်ကို ပြုပြင်ထားမှသာ ဖြစ်နိုင်သည်။ အဆင့်နိမ့်လုပ်ငန်းဆောင်တာများသည် ဓာတ်ပစ္စည်းများပိုသုံးခြင်းနှင့် စက်ရပ်ခြင်းများအတွက် အကဲဆတ်လေ့ရှိသောကြောင့် ထိန်းချုပ်မှုစနစ်များ၊ ဝတ်ဆင်မှုဒီဇိုင်းနှင့် ကာဗွန်စီမံခန့်ခွဲမှုတို့သည် အထူးအရေးကြီးပါသည်။

ကျွန်ုပ်သည် CIP သို့မဟုတ် CIL လိုအပ်ကြောင်း မည်သို့သိနိုင်မည်နည်း။

ရွေးချယ်မှုသည် အများအားဖြင့် သတ္တုရည်အလားအလာများနှင့် မည်မျှပျော်ဝင်သွားသောရွှေများကို မည်ကဲ့သို့ ဖမ်းယူသင့်သည်အပေါ် မူတည်သည်။ ရွှေသည် လျင်မြန်စွာ ပျော်ဝင်ပြီး ချက်ခြင်း ဖမ်းယူလိုပါက CIL သည် ဆွဲဆောင်မှု ရှိနိုင်သည်။ စုပ်ယူခြင်းမပြုမီ ခွဲထုတ်ခြင်းမှ စွန့်ထုတ်ခြင်းမှ အကျိုးကျေးဇူးများ ရှိပါက CIP သည် ပိုအဆင်ပြေနိုင်ပါသည်။ သတ္တုစမ်းသပ်မှုများနှင့် လက်တွေ့ဆိုဒ်ကန့်သတ်ချက်များသည် ဆုံးဖြတ်ချက်ကို မောင်းနှင်သင့်သည်။

ဆိုင်ယာနိုက် သုံးစွဲမှုသည် တစ်ခါတစ်ရံ ရုတ်တရက် အဘယ်ကြောင့် တိုးလာသနည်း။

အဖြစ်များသော အကြောင်းရင်းများတွင် သတ္တုရိုင်းများ ပြောင်းလဲခြင်း၊ pH ထိန်းချုပ်မှု ညံ့ဖျင်းခြင်း၊ မမျှော်လင့်ထားသော အောက်ဆီဂျင် ကန့်သတ်ချက် သို့မဟုတ် လုပ်ငန်းစဉ်ရေတွင် ညစ်ညမ်းခြင်း ပါဝင်သည်။ ကောင်းသောထိန်းချုပ်မှုအစီအစဥ်တစ်ခုနှင့် ယုံကြည်စိတ်ချရသောနမူနာအချက်များပါ၀င်သောအချက်များသည် အဆိုပါ spike များကိုရှာဖွေစစ်ဆေးရန်နှင့် လျင်မြန်စွာပြင်ဆင်ရန်ပိုမိုလွယ်ကူစေသည်။

ကျွန်ုပ်၏ဆိုက်သည် အဝေးမှနေပြီး ဝန်ထမ်းနည်းပါးပါက အဘယ်အရာကို ဦးစားပေးသင့်သနည်း။

လက်ဖြင့်ကိုင်တွယ်ခြင်းကို လျှော့ချပေးသည့် ထိန်းသိမ်းနိုင်စွမ်းနှင့် အလိုအလျောက်စနစ်ကို ဦးစားပေးလုပ်ဆောင်ပါ- တာရှည်ခံသော ဖန်သားပြင်များ၊ သုံးစွဲနိုင်သော စက်ပစ္စည်းများ အပြင်အဆင်၊ စံသတ်မှတ်ထားသော အပိုပစ္စည်းများ၊ ရော့ယှက်ထားသော ဆေးများနှင့် "ကျွမ်းကျင်သူ အော်ပရေတာတစ်ခု" ကို အားကိုးခြင်းမရှိသော ရှင်းလင်းသော လည်ပတ်မှုပုံမှန်အစီအစဉ်များ။


အပြီးသတ်သည်

ဝယ်ယူခြင်း။Cyaniding စက်ပစ္စည်းနောက်ဆုံးတွင် မသေချာမရေရာမှုများကို လျှော့ချရန်ဖြစ်သည်။ ဓာတုဗေဒဆိုင်ရာ သက်သေပြနိုင်သော်လည်း သင်၏အမြတ်အစွန်းသည် တသမတ်တည်းဖြစ်သော ထိန်းချုပ်မှု၊ လက်တွေ့ကျသော ထိန်းသိမ်းမှုနှင့် ဘေးကင်းမှုတို့အပေါ်တွင် မူတည်ပါသည်။ အကယ်၍ သင်သည် စက်ရုံအသစ်တစ်ခုကို စီစဉ်နေသည် သို့မဟုတ် ရှိပြီးသားပတ်လမ်းကို အဆင့်မြှင့်တင်နေပါက၊ သင်၏သတ္တုရိုင်းအစစ်အမှန်များ၊ ဖြတ်သန်းမှုပစ်မှတ်များနှင့် ဆိုက်အတားအဆီးများကို ဇယားသို့ ယူဆောင်လာပြီး ပြီးပြည့်စုံသော ထိန်းချုပ်နိုင်သောစနစ်အဖြစ် အဆိုပြုချက်တစ်ခုအား တွန်းအားပေးပါ။

သင်၏ cyanidation အစီအစဉ်ကို ယုံကြည်စိတ်ချရသော၊ ကုန်ကျစရိတ်-တည်ငြိမ်သော လည်ပတ်မှုအဖြစ်သို့ ပြောင်းလဲရန် အဆင်သင့်ဖြစ်ပြီလား။သင်၏သတ္တုရိုင်းအမျိုးအစား၊ ပစ်မှတ်စွမ်းရည်နှင့် ဆိုက်အခြေအနေများနှင့် မျှဝေပါ။ကြှနျုပျတို့ကိုဆကျသှယျရနျသင့်စက်ရုံနှင့် သင့်အော်ပရေတာများနှင့် ကိုက်ညီသော လက်တွေ့ကျသော စက်ကိရိယာပုံစံဖွဲ့စည်းပုံကို ဆွေးနွေးရန်။

စုံစမ်းမေးမြန်းရန်ပေးပို့ပါ။

X
သင့်အား ပိုမိုကောင်းမွန်သောကြည့်ရှုမှုအတွေ့အကြုံကို ပေးဆောင်ရန်၊ ဆိုက်အသွားအလာကို ပိုင်းခြားစိတ်ဖြာပြီး အကြောင်းအရာကို ပုဂ္ဂိုလ်ရေးသီးသန့်ပြုလုပ်ရန် ကျွန်ုပ်တို့သည် ကွတ်ကီးများကို အသုံးပြုပါသည်။ ဤဆိုက်ကိုအသုံးပြုခြင်းဖြင့် ကျွန်ုပ်တို့၏ cookies အသုံးပြုမှုကို သင်သဘောတူပါသည်။ ကိုယ်ရေးအချက်အလက်မူဝါဒ