English
Español
Português
русский
Français
日本語
Deutsch
tiếng Việt
Italiano
Nederlands
ภาษาไทย
Polski
한국어
Svenska
magyar
Malay
বাংলা ভাষার
Dansk
Suomi
हिन्दी
Pilipino
Türkçe
Gaeilge
العربية
Indonesia
Norsk
تمل
český
ελληνικά
український
Javanese
فارسی
தமிழ்
తెలుగు
नेपाली
Burmese
български
ລາວ
Latine
Қазақша
Euskal
Azərbaycan
Slovenský jazyk
Македонски
Lietuvos
Eesti Keel
Română
Slovenski
मराठी
Srpski језик Sand အဝတ်လျှော်စက်သည်သတ္တုတူးဖော်ရေး, ကျောက်မိုင်းနှင့်ဆောက်လုပ်ရေးလုပ်ငန်းများတွင်ကျယ်ပြန့်စွာအသုံးပြုသောအရေးပါသောကိရိယာများဖြစ်သည်။ ၎င်းသည်နုန်း, ဖုန်မှုန့်များနှင့်ရွှံ့စေးများမှသဲသောင်ပြင်များမှအညစ်အကြေးများကိုဖယ်ရှားပေးသည်။ နိယာမသည်ရိုးရိုးရှင်းရှင်းထိရောက်သော်လည်း - ရေစီးဆင်းမှု, စက်ပစ္စည်းဆို......
ပိုပြီးဖတ်ပါသံဖယ်ရှားရေးသည်စက်မှုလုပ်ငန်းများစွာတွင်သန့်ရှင်းသောရေနှင့်ထိရောက်သောဓာတ်သတ္တုထုတ်လုပ်မှုကိုသေချာစေရန်အလွန်အရေးကြီးသောအခန်းကဏ် plays မှပါ 0 င်သည်။ ဤဆောင်းပါးသည်သံဖယ်ရှားရေးပစ္စည်းကိရိယာများ၏သိပ္ပံ, ဒီဇိုင်းနှင့်အကျိုးကျေးဇူးများကိုစူးစမ်းလေ့လာသည်, ၎င်းသည်မည်သို့အလုပ်လုပ်သည်ကိုရှင်းပြသည်, အဘယ်ကြောင့်......
ပိုပြီးဖတ်ပါခေတ်မီစက်မှုလုပ်ငန်းများတွင်ပစ္စည်းကိုင်တွယ်ခြင်း၏ထိရောက်မှုသည်ကုန်ထုတ်စွမ်းအားနှင့်ကုန်ကျစရိတ်စီမံခန့်ခွဲမှုတွင်အရေးပါသောအခန်းကဏ် plays မှပါ 0 င်သည်။ သယ်ယူပို့ဆောင်ရေးပစ္စည်းကိရိယာများသည်စက်ရုံများ, သတ္တုတူးဖော်ရေးနှင့်အမြောက်အများသယ်ယူပို့ဆောင်ရေးကဏ် sectors များတွင်အုတ်မြစ်တစ်ခုဖြစ်လာသည်။ ထုတ်လုပ......
ပိုပြီးဖတ်ပါCyaning ပစ္စည်းကိရိယာများသည်အဖိုးတန်သတ္တုများပြန်လည်ထူထောင်ရေးကိုတိုးမြှင့်နိုင်သည့်စွမ်းရည်နှင့်သတ္တုစပ်စက်မှုလုပ်ငန်းများတွင်မရှိမဖြစ်လိုအပ်သောကိရိယာများတွင်မရှိမဖြစ်လိုအပ်သောအဖြေတစ်ခုဖြစ်လာသည်။ ယနေ့ခေတ်တွင်မြင့်မားသောယှဉ်ပြိုင်နိုင်သည့်စျေးကွက်တွင်ကုမ္ပဏီများသည်ထုတ်လုပ်မှုရလဒ်များကိုတိုးတက်စေစဉ်က......
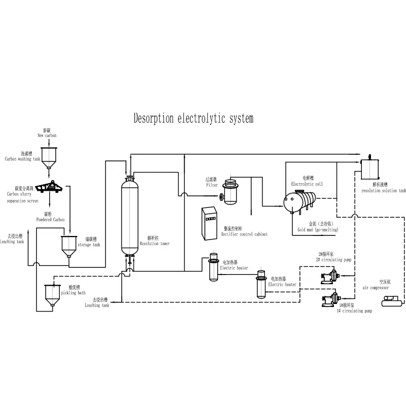
ပိုပြီးဖတ်ပါသတ္တုတူးဖော်ရေးလောကတွင်ဓာတုဗေဒနှင့်သတ္တုစပ်ခြင်း, ထိရောက်မှုသည်အရာအားလုံးဖြစ်သည်။ Downstream ဖြစ်စဉ်များအတွက်သင် Leaching, ရောစပ်ခြင်း, ရောစပ်ခြင်း, ပြင်ဆင်ခြင်း, ပြင်ဆင်ခြင်း, ပြင်ဆင်ခြင်းဖြစ်စေ, မှန်ကန်သောပစ္စည်းကိရိယာများသည်ရလဒ်ကောင်းများနှင့်ရေရှည်ကုန်ကျစရိတ်စုဆောင်းမှုကိုဆုံးဖြတ်သည်။ ထိုသို့သော......
ပိုပြီးဖတ်ပါခေတ်မီဓာတ်သတ္တုထုတ်လုပ်ခြင်း, ထိရောက်မှု, တိကျမှုနှင့်ကြာရှည်ခံမှုသည်အဓိကလိုအပ်ချက်များကိုရရှိသည်။ သတ္တုအကျိုးခံစားခွင့်အတွက်ဒီဇိုင်းပြုလုပ်ထားသောစက်များစွာအနက်လိမ်လည်သူသည်မရှိမဖြစ်လိုအပ်သောအရာတစ်ခုဖြစ်သည်။ ဤပစ္စည်းကိရိယာများသည်သတ္တုတူးဖော်ရေးအပင်များ, မှန်ကန်သောလိမ်လည်သူကိုရွေးချယ်ခြင်းသည်ပိုမိုကော......
ပိုပြီးဖတ်ပါ