desorption electrolytic စနစ်
  • desorption electrolytic စနစ် desorption electrolytic စနစ်

desorption electrolytic စနစ်

ပရော်ဖက်ရှင်နယ်ထုတ်လုပ်သူတစ် ဦး အနေဖြင့် Epic သည်သင့်အားအရည်အသွေးမြင့်မားသော desorption electrolytic system ကိုပေးလိုသည်။ ငါတို့သည်သင်တို့ကိုအကောင်းဆုံးရောင်းချမှုနှင့်အချိန်မီဖြန့်ဝေပေး။

စုံစမ်းမေးမြန်းရန်ပေးပို့ပါ။

ကုန်ပစ္စည်းအကြောင်းအရာ

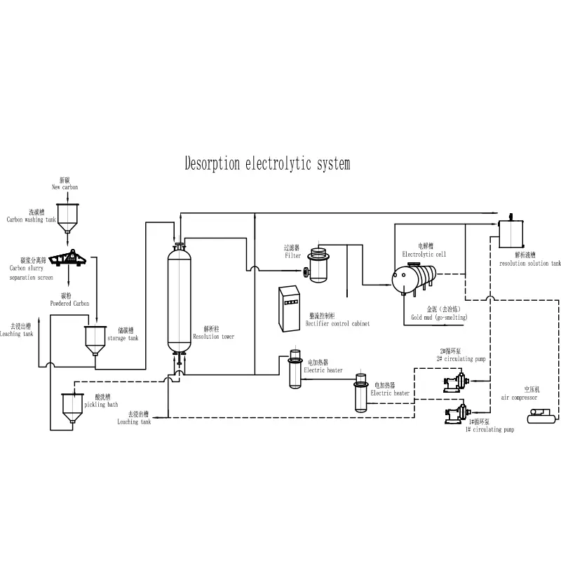
ကျွမ်းကျင်သောထုတ်လုပ်သူတစ် ဦး ဖြစ်ခြင်းကြောင့် Epic သည်သင့်အားထိပ်ဆုံးထစ် desorption electrolytic system ကိုကမ်းလှမ်းရန်ရည်ရွယ်သည်။ အကောင်းဆုံးနောက်ရောင်းဝယ်မှုနှင့်ချက်ချင်းပေးပို့ခြင်းနှင့်သင့်အားကျွန်ုပ်တို့အားပေးမည်ဟုကတိပေးထားသည်။ activated carbon adsorption desorption desorption devorionption စနစ်ဖြင့်ပိုမိုဖြည့်စွက်ပါက AU (CN) 2 "အစားထိုးခြင်းဖြင့်ရွှေရောင်တင်ထားသောကာဗွန်၏ပျက်စီးခြင်းအားဖြင့်ရရှိသောအရည်သည်အစိုင်အခဲရွှေရရှိရန် ionization အားဖြင့်ပြန်လည်ကောင်းမွန်လာသည်။ ပစ္စည်းကိရိယာများ

1, မြင့်မားသောအပူချိန်, မြင့်မားသောဖိအား, cyanide, desorption အလိုအလျောက်ထိန်းချုပ်မှု, မြင့်မားသောလိမ္မာပါးနပ်,

ဝိသေသလက္ခဏာများ: 

A.High ထိရောက်မှု - ရွှေရောင်တင်ဆောင်ထားသည့်ကာဗွန်တန်းသည် 3000 G / T သို့ရောက်သောအခါ desorption နှုန်းသည် 96% ကျော်ရောက်ရှိနိုင်ပြီး Carrical desorption letrolytic

ကိရိယာ:

B.fIfIfir: desorption electropysisis အပူချိန်သည် 150 ℃ (30-55 other ပိုမိုမြင့်မားသောအခြားမော်ဒယ်များထက်ပိုမိုမြင့်မားသော) စနစ်သည် 0.5MPA (0.2-0.5MPA ထက်ပိုမိုမြင့်မားသည်) စနစ်သည်အလွန်မြန်သည်။ ယေဘုယျအားဖြင့် 12 နာရီအလွန်မြန်သည် 

3 ကြိမ်: c.low စားသုံးမှု: desorption electropion electropytic အပူချိန်သည်အတူတူပင်ဖြစ်သည်, အစာရှောင်ခြင်းအလုပ်ကြောင့်စုစုပေါင်းလျှပ်စစ်သုံးစွဲမှုသည်သမားရိုးကျစနစ်၏ 1/22-1 / 4 ဖြစ်သည်။

2 ။ မရရှိနိုင်သော Cyanide: desorption solution သည်ဆိုဒီယမ် cyanide ကိုထည့်ရန်မလိုအပ်ပါ။

3, အဆင့်မြင့်ရွှေရွှံ့, Electroliss, လွယ်ကူသောထုတ်ယူရန်မလိုအပ်ပါ။

4, အလိုအလျောက်ထိန်းချုပ်မှု - အရည်အဆင့်ထိန်းချုပ်မှုစနစ်, အပူချိန်ထိန်းချုပ်မှုစနစ်နှင့်အလိုအလျောက်ထိန်းချုပ်မှုစနစ်ကိုအထူးသတ်မှတ်ထားပါ။

5, ဘေးကင်းလုံခြုံမှု - Triple Sountain Safety Protection အစီအမံများဖြင့်ဖိအား, autoratics ဖိအားပေးမှုယန္တရား,

Hot Tags: desorption electrolytic စနစ်
စုံစမ်းမေးမြန်းရန်ပေးပို့ပါ။
ကျေးဇူးပြု၍ အောက်ပါပုံစံဖြင့် သင်၏စုံစမ်းမေးမြန်းမှုကို အခမဲ့ပေးပါ။ 24 နာရီအတွင်း သင့်အား အကြောင်းပြန်ပါမည်။
ဆက်စပ်ထုတ်ကုန်များ
X
သင့်အား ပိုမိုကောင်းမွန်သောကြည့်ရှုမှုအတွေ့အကြုံကို ပေးဆောင်ရန်၊ ဆိုက်အသွားအလာကို ပိုင်းခြားစိတ်ဖြာပြီး အကြောင်းအရာကို ပုဂ္ဂိုလ်ရေးသီးသန့်ပြုလုပ်ရန် ကျွန်ုပ်တို့သည် ကွတ်ကီးများကို အသုံးပြုပါသည်။ ဤဆိုက်ကိုအသုံးပြုခြင်းဖြင့် ကျွန်ုပ်တို့၏ cookies အသုံးပြုမှုကို သင်သဘောတူပါသည်။ ကိုယ်ရေးအချက်အလက်မူဝါဒ