Desorption Electrolytic System ဆိုတာ ဘာလဲ ၊ ခေတ်မီရွှေ ထုတ်ယူမှုအတွက် ဘာကြောင့် မရှိမဖြစ် လိုအပ်တာလဲ။

ဟိDesorption Electrolytic စနစ်အထူးသဖြင့် ကာဗွန်အတွင်းမှ ပျော့ဖတ် (CIP) နှင့် ကာဗွန်အတွင်းမှ သုတ်လိမ်းခြင်း (CIL) လုပ်ငန်းစဉ်များတွင် ခေတ်မီရွှေထုတ်ယူမှုတွင် အရေးကြီးသော နည်းပညာတစ်ခုဖြစ်သည်။ ဤဘလော့ဂ်သည် စနစ် မည်သို့ အလုပ်လုပ်ပုံ၊ ၎င်း၏ အစိတ်အပိုင်းများ၊ အားသာချက်များနှင့် ၎င်းသည် အဘယ်ကြောင့် ထိရောက်သော ရွှေပြန်လည်ရယူခြင်းအတွက် စံတစ်ခု ဖြစ်လာသည်ကို စူးစမ်းလေ့လာပါသည်။ ကုမ္ပဏီများ ကြိုက်နှစ်သက်ပုံကို မီးမောင်းထိုးပြပါသည်။EPICဤနယ်ပယ်တွင် ဆန်းသစ်တီထွင်မှုကို မောင်းနှင်နေကြသည်။ အဆုံးတွင်၊ ဤစနစ်သည် ကုန်ထုတ်စွမ်းအားကို မြှင့်တင်ပေးပုံ၊ ကုန်ကျစရိတ်များကို လျှော့ချပေးပြီး ပြန်လည်ရယူမှုနှုန်းကို မြှင့်တင်ပေးပုံအကြောင်း ကျယ်ကျယ်ပြန့်ပြန့် နားလည်လာမည်ဖြစ်သည်။

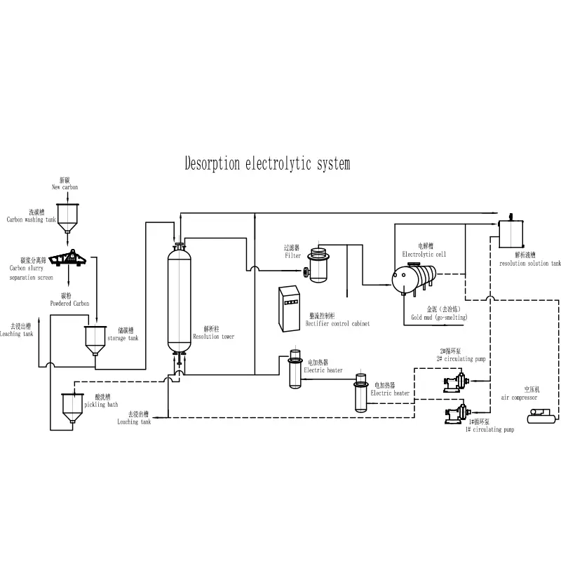
Desorption Electrolytic System

မာတိကာ


Desorption Electrolytic စနစ် ဆိုတာဘာလဲ

A Desorption Electrolytic စနစ်activated ကာဗွန်မှရွှေထုတ်ယူရန်အသုံးပြုသောအဆင့်မြင့်ရွှေပြန်လည်ရယူသည့်စနစ်ဖြစ်သည်။ သတ္တုတူးဖော်ခြင်းလုပ်ငန်းတွင် ရွှေကို ကာဗွန်အမှုန်အမွှားများပေါ်သို့ စုပ်ယူသည့်နေရာတွင် တွင်ကျယ်စွာ အသုံးပြုသည်။

  • Desorption- အပူချိန်မြင့်ပြီး ဖိအားမြင့်ဖြေရှင်းနည်းများကို အသုံးပြု၍ ကာဗွန်မှရွှေများကို ဖယ်ရှားသည်။
  • Electrolysis : ဖြေရှင်းချက်မှ ရွှေကို cathodes ပေါ်သို့ ပြန်လည်ရယူသည်။
  • ကွင်းပိတ်စနစ်- ထိရောက်မှုနှင့် ဆုံးရှုံးမှုအနည်းဆုံးဖြစ်ကြောင်း သေချာစေသည်။

ဤစနစ်သည် ပြန်လည်ထူထောင်ရေး စွမ်းဆောင်ရည်ကို မြှင့်တင်ရန်နှင့် လုပ်ငန်းလည်ပတ်မှု ကုန်ကျစရိတ်များကို လျှော့ချရန်အတွက် မရှိမဖြစ် လိုအပ်ပြီး ၎င်းသည် ခေတ်မီရွှေပြုပြင်ရေးစက်ရုံများတွင် အဓိက အစိတ်အပိုင်းတစ်ခု ဖြစ်လာစေပါသည်။


Desorption Electrolytic စနစ် သည် မည်သို့အလုပ်လုပ်သနည်း။

အလုပ်၏နိယာမDesorption Electrolytic စနစ်အဓိက အဆင့်နှစ်ဆင့် ပါဝင်သည်-

  1. Desorption အဆင့်-ရွှေထည့်ထားသော ကာဗွန်ကို ပူပြင်းသော အယ်ကာလိုင်း ဆိုင်ယာနိုက် ဖြေရှင်းချက်ဖြင့် ရွှေအိုင်းယွန်းများ ထုတ်လွှတ်သည်။
  2. Electrolysis အဆင့်-ရွှေကြွယ်ဝသောဖြေရှင်းချက်သည် သံမဏိသိုးမွှေး cathodes များပေါ်တွင် ရွှေအနည်ကျနေသည့် အီလက်ထရွန်းနစ်ဆဲလ်တစ်ခုမှတဆင့် ဖြတ်သန်းသွားသည်။

လုပ်ငန်းစဉ်သည် မြင့်မားသော ထိရောက်မှုကို သေချာစေပြီး စဉ်ဆက်မပြတ် လည်ပတ်နိုင်စေသောကြောင့် ၎င်းကဲ့သို့ ကုမ္ပဏီများမှ စနစ်များEPICစက်မှုလုပ်ငန်းများတွင် ကျယ်ကျယ်ပြန့်ပြန့် လက်ခံကျင့်သုံးကြသည်။


စနစ်၏အဓိကအစိတ်အပိုင်းများ

အစိတ်အပိုင်း လုပ်ဆောင်ချက်
Desorption ကော်လံ အသက်သွင်းပြီး ကာဗွန်ကို ကိုင်ဆောင်ထားပြီး ရွှေကို ဖယ်ရှားပေးသည်။
Electrolytic Cell Electrolysis ဖြင့် ရွှေကို ပြန်လည်ရရှိစေပါသည်။
အပူလဲလှယ်ကိရိယာ လိုအပ်သောအပူချိန်ကိုထိန်းသိမ်းပါ။
Filter စနစ် ဖျော်ရည်မှ အညစ်အကြေးများကို ဖယ်ရှားပေးသည်။
ထိန်းချုပ်မှုစနစ် လုပ်ဆောင်ချက်ကို အလိုအလျောက်လုပ်ဆောင်ပြီး ကန့်သတ်ချက်များကို စောင့်ကြည့်သည်။

အစိတ်အပိုင်းတစ်ခုစီသည် စနစ်အား ထိထိရောက်ရောက်နှင့် တသမတ်တည်းလည်ပတ်နိုင်စေရန်အတွက် အရေးကြီးသောအခန်းကဏ္ဍမှ ပါဝင်ပါသည်။


နည်းပညာဆိုင်ရာ အားသာချက်များနှင့် အင်္ဂါရပ်များ

  • မြင့်မားသောရွှေပြန်လည်ရယူမှုနှုန်း (98%) အထိ
  • စွမ်းအင်သုံးစွဲမှုနည်းသည်။
  • အလုပ်သမား ကုန်ကျစရိတ် လျှော့ချရန်အတွက် အလိုအလျောက် လည်ပတ်ခြင်း။
  • အာကာသထိရောက်မှုအတွက် ကျစ်လစ်သောဒီဇိုင်း
  • ဓာတ်ငွေ့ထုတ်လွှတ်မှုအနည်းဆုံးဖြင့် သဘာဝပတ်ဝန်းကျင်နှင့် သဟဇာတဖြစ်ခြင်း။

ထုတ်လုပ်သူ ကြိုက်တယ်။EPICပိုမိုကောင်းမွန်သော စွမ်းဆောင်ရည်နှင့် ယုံကြည်စိတ်ချရမှုကို အာမခံချက်ပေးရန် ဤစနစ်များကို စဉ်ဆက်မပြတ် ပိုမိုကောင်းမွန်အောင် လုပ်ဆောင်ပါ။


Gold Processing တွင် Application များ

ဟိDesorption Electrolytic စနစ်တွင်ကျယ်စွာအသုံးပြုသည်-

  • ရွှေတူးဖော်ရေး စက်ရုံများ
  • CIP (Carbon-in-Pulp) လုပ်ငန်းများ
  • CIL (Carbon-in-Leach) လုပ်ငန်းစဉ်များ
  • ရွှေဗြုန်းတေ ာ့

၎င်း၏ ဘက်စုံစွမ်းပကားသည် စွမ်းဆောင်ရည်မြှင့်တင်မှုများကို ရှာဖွေနေသည့် အကြီးစားစက်မှုလုပ်ငန်းနှင့် အသေးစားလုပ်ငန်းများအတွက် သင့်လျော်စေသည်။


ရိုးရာနည်းလမ်းများနှင့် နှိုင်းယှဉ်ခြင်း။

ထူးခြားချက် Desorption Electrolytic စနစ် ရိုးရာနည်းလမ်းများ
လုပ်ရည်ကိုင်ရည် မြင့်သည်။ တော်ရုံတန်ရုံ
အလိုအလျောက်စနစ် အပြည့်အဝအလိုအလျောက် Manual သို့မဟုတ် semi-automated
ကုန်ကျစရိတ် ရေရှည်ကုန်ကျစရိတ်သက်သာတယ်။ လည်ပတ်မှုကုန်ကျစရိတ် ပိုမြင့်သည်။
သဘာဝပတ်ဝန်းကျင် ထိခိုက်မှု နိမ့်သည်။ ပိုမြင့်တယ်။

ခေတ်မီစနစ်သည် ရိုးရာရွှေပြန်လည်ရယူခြင်းနည်းပညာများထက် သိသာထင်ရှားသော အကျိုးကျေးဇူးများကို ပေးဆောင်သည်မှာ ထင်ရှားပါသည်။


ဝယ်သူများအတွက် ရွေးချယ်ရေးလမ်းညွှန်

ရွေးချယ်တဲ့အခါDesorption Electrolytic စနစ်အောက်ပါအချက်များကို သုံးသပ်ကြည့်ပါ-

  • စီမံဆောင်ရွက်နိုင်စွမ်း
  • အလိုအလျောက်စနစ်အဆင့်
  • စွမ်းအင်ထိရောက်မှု
  • ထုတ်လုပ်သူ ဂုဏ်သတင်း (ဥပမာ၊ EPIC)
  • အရောင်းပြီးနောက်ပံ့ပိုးမှု

မှန်ကန်သောစနစ်ရွေးချယ်ခြင်းသည် ရေရှည်လုပ်ငန်းလည်ပတ်အောင်မြင်မှုနှင့် ရင်းနှီးမြှုပ်နှံမှုအပေါ် အမြင့်ဆုံးပြန်အမ်းငွေကို သေချာစေသည်။


ပြုပြင်ထိန်းသိမ်းမှုနှင့် လည်ပတ်မှုဆိုင်ရာ အကြံပြုချက်များ

  • ပိုက်လိုင်းများနှင့် အဆို့ရှင်များကို ပုံမှန်စစ်ဆေးပါ။
  • အပူချိန်နှင့် ဖိအားအဆင့်များကို စောင့်ကြည့်ပါ။
  • လျှပ်စစ်ဆဲလ်များကို အခါအားလျော်စွာ သန့်စင်ပါ။
  • ဟောင်းနွမ်းနေသော အစိတ်အပိုင်းများကို ချက်ချင်း အစားထိုးပါ။
  • ထုတ်လုပ်သူလမ်းညွှန်ချက်များကို တင်းတင်းကျပ်ကျပ် လိုက်နာပါ။

စနစ်တကျ ပြုပြင်ထိန်းသိမ်းခြင်းသည် စနစ်၏ သက်တမ်းကို သိသိသာသာ တိုးစေပြီး တသမတ်တည်း စွမ်းဆောင်ရည်ကို အာမခံပါသည်။


အမြဲမေးလေ့ရှိသောမေးခွန်းများ

1. Desorption Electrolytic System ၏ အဓိကရည်ရွယ်ချက်ကား အဘယ်နည်း။

၎င်း၏အဓိကရည်ရွယ်ချက်မှာ activated carbon မှရွှေများကို ထိရောက်စွာထုတ်ယူရန်နှင့် ပြန်လည်ရယူရန်ဖြစ်သည်။

2. စနစ်သည် မည်မျှထိရောက်သနည်း။

စနစ်အများစုသည် လည်ပတ်မှုအခြေအနေများပေါ် မူတည်၍ ရွှေပြန်လည်ရယူမှုနှုန်း 95% ကျော် ရရှိသည်။

၃။ စနစ်သည် ပတ်ဝန်းကျင်နှင့် သဟဇာတဖြစ်ပါသလား။

မှန်ပါသည်၊ ခေတ်မီစနစ်များသည် ဓာတ်ငွေ့ထုတ်လွှတ်မှုကို လျှော့ချရန်နှင့် ဓာတုစွန့်ပစ်ပစ္စည်းများကို လျှော့ချရန် ဒီဇိုင်းထုတ်ထားသည်။

4. ၎င်းကိုစိတ်ကြိုက်ပြုလုပ်နိုင်ပါသလား။

ဟုတ်ပါသည်၊ EPIC ကဲ့သို့သော ကုမ္ပဏီများသည် လုပ်ဆောင်ခြင်းဆိုင်ရာ လိုအပ်ချက်များကို အခြေခံ၍ စိတ်ကြိုက်ပြင်ဆင်နိုင်သော ဖြေရှင်းချက်များကို ပေးဆောင်ပါသည်။

5. ဤစနစ်ကို မည်သည့်စက်မှုလုပ်ငန်းက အသုံးပြုသနည်း။

အဓိကအားဖြင့် ရွှေတူးဖော်ရေး လုပ်ငန်းသာမက အဖိုးတန် သတ္တုပြန်လည် ထူထောင်ရေး လုပ်ငန်းများတွင်လည်း ပါဝင်သည်။


နိဂုံး

ဟိDesorption Electrolytic စနစ်ရွှေပြန်လည်ရယူခြင်းနည်းပညာတွင် အောင်မြင်မှုတစ်ခုကို ကိုယ်စားပြုပြီး ပြိုင်ဘက်ကင်းသော ထိရောက်မှု၊ ယုံကြည်စိတ်ချရမှုနှင့် ပတ်ဝန်းကျင်စွမ်းဆောင်ရည်တို့ကို ပေးဆောင်သည်။ နယ်ပယ်အသီးသီးမှ ခေါင်းဆောင်များ ဆက်တိုက် တိုးတက်မှုများနှင့်အတူEPICဤစနစ်သည် ခေတ်မီသတ္တုတူးဖော်ရေးလုပ်ငန်းများအတွက် မရှိမဖြစ်လိုအပ်လာပါသည်။ မင်းရဲ့ရွှေထုတ်ယူမှုလုပ်ငန်းစဉ်ကို အကောင်းဆုံးဖြစ်အောင်လုပ်ပြီး အမြတ်အစွန်းပိုကောင်းအောင်လုပ်ဖို့ ကြိုးစားနေတယ်ဆိုရင် အရည်အသွေးမြင့်စနစ်တစ်ခုမှာ ရင်းနှီးမြှုပ်နှံတာဟာ စမတ်ကျတဲ့ရွေးချယ်မှုတစ်ခုပါ။ကြှနျုပျတို့ကိုဆကျသှယျရနျယနေ့တွင် သင့်လိုအပ်ချက်များအတွက် အံဝင်ခွင်ကျဖြေရှင်းနည်းများကို ကျွန်ုပ်တို့ မည်သို့ပံ့ပိုးပေးနိုင်ကြောင်းကို ပိုမိုလေ့လာရန် ယနေ့။

စုံစမ်းမေးမြန်းရန်ပေးပို့ပါ။

X
သင့်အား ပိုမိုကောင်းမွန်သောကြည့်ရှုမှုအတွေ့အကြုံကို ပေးဆောင်ရန်၊ ဆိုက်အသွားအလာကို ပိုင်းခြားစိတ်ဖြာပြီး အကြောင်းအရာကို ပုဂ္ဂိုလ်ရေးသီးသန့်ပြုလုပ်ရန် ကျွန်ုပ်တို့သည် ကွတ်ကီးများကို အသုံးပြုပါသည်။ ဤဆိုက်ကိုအသုံးပြုခြင်းဖြင့် ကျွန်ုပ်တို့၏ cookies အသုံးပြုမှုကို သင်သဘောတူပါသည်။ ကိုယ်ရေးအချက်အလက်မူဝါဒ